Implementing the BAS Architecture of the Future
Welcome to part three of our interview series with Matt Schwartz of Altura Associates on fixing the modern building automation system. In case you missed it, part one was on why the BAS industry is broken. Part two was about what we can do about it with system architecture design. If you havenât read those, start there!
To learn more about Nexus and subscribe, start here.
James Dice: Alright Matt, welcome back! Itâs time to put a pretty bow on our three-part series and fulfill our promise of providing a sample specification that anyone can tailor to their needs.
A couple months back, we dove deep into why the BAS industry is broken and what sort of architecture would fix it. Iâm most excited about this third installment because weâre bringing these ideas into the real world. Letâs talk about how any building owner can implement the BAS architecture of the future.
Imagine a real world scenario: pretend I manage a large portfolio of buildings, perhaps a K-12 school district or a healthcare system. Across the portfolio, we have a bunch of different existing building automation systemsâdifferent manufacturers, different service providers, different product vintages, various degrees of openness.
We have renovations and BAS upgrades going on all the time. Letâs also pretend that in 2021, weâre building a new building. So if weâre going to do this new architecture, the time is now!
Where should we start? How do we buy this product?
Matt Schwartz: Great to be back, James. Here is my message to anyone in charge of procuring BAS work, owner or otherwise: step 1 is to take all the proposals you have on your desk from the multiple BAS providers recommending you upgrade, replace, and/or piecemeal the system along and file them in the recycling bin.
JD: Bold and honest... I like it. đ
MS: Itâs funny but Iâm serious. The BAS architecture of the future is driven by owner requirements and business performance, not by a single vendorâs technology. If you allow product providers to scope and design your projects without specifications and standards that enhance your facilities management workflow, there is a near zero percent chance that you will get the best solution. Bottom line.
As you noted in your recent essay about stickiness, organizations have set their sites on measurable increased building performance. This manifests as efforts to improve comfort, health, energy use, and maintenance spend. This in turn puts the spotlight on the BAS systems, which are the first stop for improving all of these categories and generating the data to measure the improvements.
As an owner you can either go down the traditional road of letting the market and the providers tell you what to do, or you can pull all your sharpest stakeholders together and collaborate with technology-agnostic BAS experts (as many as you want to talk to) to inform your new specification and design standards. Do the latter!
JD: Fair enough. That sentiment reminds me of a recent Nexus podcast when Andrew Rodgers pointed out that the traditional road has gotten us to where weâre at today. Itâs not going to get us to where we want to go tomorrow.
MS: Exactly. And since weâre being open and honest here, let me give you an open and honest step two: throw out your mentality that your building automation system is a product that you just go buy in the marketplace. Stop that!
This is a hybrid software/hardware system that is currently confused about itâs identity. You need to first adjust your methodology of how to implement a BAS. The architecture of the future is designed to let you use a wide variety of hardware products and avoid becoming beholden to a single product wherever possible. So ditch that product mentality.
JD: Youâre in a spicy mood todayâŚ
MS: In all seriousness, your true starting step should really be to sit down with your key stakeholders and define the requirements of the BAS that work for your business, including its functionality and cost of ownership. For example, owners who have a staff of six highly skilled operators have different needs from those with a single operator who must wear many hats.
When your team recognizes that the best BAS out there is a system of software and hardware and not any one product, you can create specifications that detail out exactly what you need on your projects. Thatâs just one piece to the buying process but maybe the most important one.
JD: Okay. So it sounds like step three, after throwing everything in the recycling and shifting your mentality, is to identify your stakeholders that will inform a new BAS specification. And youâve pointed out a key fact about the marketplace: technology-agnostic BAS experts (like Altura) are out there and owners should seek them out at this early stage. Not every engineering consulting firm has these experts on staff, so itâs okay to go outside your normal team.
So who else should we be bringing in at this stage besides a BAS consultant?
MS: In no particular order, your key stakeholders are facilities managers, energy managers, IT departments (network and security), internal automation/BAS shop, and procurement groups (the folks putting projects out to bid). By the way, this team-based approach relieves the owner from needing a BAS expert leading the process - the leader on the ownerâs side should be the person in the best position to establish clear accountability around standards and acceptance criteria and then enforces those standards throughout the project lifecycle.
In our process, we facilitate multiple worksessions to gather these stakeholders and explore how to adapt the BAS architecture discussed in Part 2 to best meet the needs of the entire organization. This is a paramount step in the process, as BAS nowadays impacts every one of these stakeholders. It means getting groups together that may not normally talk to one another but certainty have impact on BAS outcomes.
JD: Totally. I can imagine pulling each of those folks together and not only putting the benefits of the new architecture in terms of tangible benefits to them, but also getting their input as to how to tailor the architecture to their unique needs.
MS: Right. Go talk to your energy department and develop recognition for the major savings associated with well optimized controls upgrades. Same goes for mechanical replacements that might be NOT considering a controls upgrade. Find the real opportunities to make your BAS projects realize a return (hint: they are more than just CapEx).
JD: Nice examples. I bet our readers can imagine several more. And once you get stakeholder input and have their buy-in, whatâs next?
MS: The most important thing now is to avoid jumping to solutions⌠the primary reason to go open & interoperable is to build a system to your needs. As a result, first you must define what you want and then commit new resources to holding the people and processes accountable to that standard every step of the way. Most conventional processes for delivering building renovations and new construction cannot deliver this vision, so you must be prepared for some disruption and change management.
JD: Wait, why not?
MS: For the most part the mainstream methodologies used to manage BAS upgrades are the same used in the MEP construction world. The fatal flaw in doing so is that the MEP world is used to delivering deeply technical and complete design and specification documents. As we discussed in part 1, BAS is less comprehensively understood, heavily influenced by technology providers and almost always leaves massive gaps for interpretation in the early phase of a project.
Therefore, we start by developing solid standards & specifications that deliver the system explicitly. Start fresh and be prepared to go into way more detail than before. Building automation has deep levels of technical nuance that can have oversize influence on the usability and serviceability of the final system. Your specification needs to be clear about what is permitted and what is not down to the deepest levels of communications protocols and point naming. This is where your agnostic technical experts come in. Find a partner who can translate the needs of your team into real specification language used by procurement.
JD: Standards and Specs. That sounds rivetingâŚ
Just kidding⌠I know all too well what happens when we gloss over these steps. Letâs start with standards. What kind of standards need to be set up and how does that work?
MS: Â Standards are the items you want to be consistent from project to project, such as:
- graphics data and aesthetics
- equipment and system types
- required points for those equipment types
- sequences of operation for those equipment types
- point names
- user account templates
- alarm profiles
- trending requirements
- semantic tagging models
These are items that need to be defined and you must ensure these are actively enforced with contractors on every project moving forward.  If you havenât done this, you are likely paying to have them recreated project to project and they likely hold little continuity across projects. They should be documented in a way that is useful for collaborating and quickly getting to defined outcomes on new work and helps avoid having to build  these items from scratch built project after project.
JD: Agreed. This step is so valuable. I think several of those bullet points warrant a deeper dive in and of themselves. However, letâs keep this moving and move to the next step. Weâll throw all of those details into an appendix at the end.
How about specifications. First, what do they do?
MS: Specifications define what youâre buying and the acceptance criteria. This is the place to identify exactly the means, methods, softwares and products that compose your BAS architecture. DO NOT, I REPEAT, DO NOT simply reboot an old specification by loading it with new language. Given the state of disruption we are in and the many new ways to deliver BAS, it is best to start from the top, cut out all the chaff and write a fresh BAS specification.
JD: Hold up. Youâre saying I need to give up my tried and true specification that my favorite design engineer has been copy-and-pasting for every new job since the days of Windows 98?
MS: If your current BAS specification still has alarm report printers, a telephone remote interface, operators dedicated work-station with a tower computer, mention of pneumatic controls, no mention of IP-based controllers, redundant or contradictory sections that seem to repeat, or if itâs over 50 pages long, then itâs time for a fresh start. Not to say there isnât gold you need to mine out of your old specification for inclusion into the new, just to say that the old spec is not a basis from which to start over.
Another reason youâve seen the copy and paste method, besides lack of BAS expertise, is because itâs difficult. Development of a new BAS specification is an iterative process that sometimes involves lengthy discussions of each content section. But the work is worth it. I want to stress here that it is unlikely you will have strong results by purchasing a specification you think does what you want, but never reading through and questioning the elements of it.
JD: What types of issues does a strong spec avoid?
MS: You will proactively eliminate the following issues:
- Conflict between stakeholders who cannot support or be supported by the chosen system, e.g. Facilities and IT being unable to support one another or energy groups unable to access data for M&V efforts.
- Overcomplication and wasted money, e.g.. having two sets of BAS IT (OT) networking gear in a building when IT could have supported the infrastructure at lower cost with higher security.
- Inability to pursue competitive bids for future maintenance and service contracts
- Mixed bags of BAS systems across the campus or portfolio that fail to interoperate with one another.
JD: Yeah those arenât fun. I think I already know the answer to this, but what if my local vendor has given specs to my procurement department for years?
MS: Unfortunately itâs the fox and the henhouse problem, James. You, as an owner or a facilities manager, need to master and own your BAS rather than leave it in the hands of others. This is the number one cause of new projects being handed over to facilities teams full of issues and missed expectations.
We work with facilities teams who inherit brand new buildings where numerous hours of their time is required to punch issues back to the procurement team (who is gone and off to the next project) and then ultimately fix everything themselves if everyone is paid out and uninterested in fixing the issues.
We see instances where a new specification is used by procurement with no collaboration and buy-in from facilities leading to the installation of products that cannot be supported by facilities or donât align with existing standards. Conversely, we have seen projects develop a healthy exchange with product representatives, where the sales team knows exactly requirements they must meet and sees opportunity for differentiation on more than just price.
JD: Fair enough. I think itâs a good time to share your sample specification with everyone. We have two links:
- Click here to download the word document version of the sample specification from Alturaâs website (in the Smart Building Technology section).
- Click here to see an online version, where you can comment and ask questions.
And since people can see that example, letâs not go into a ton of detail on what it entails today. Once I have the standards and specs, Iâm assuming I shouldnât just hand them to the engineer or my BAS contractor and ask them to build it?
MS: NO! That is another recipe for missed expectations. For both new and existing projects, I recommend going deeper on the scoping and design side of things. Spending time scoping and foreseeing the challenges and various complexities of a BAS project prior to contract award is a proven method for avoiding change orders.
I commonly see projects that are defined on a one page proposal after a short site walk or no walk at all. Oh, car analogy! When you set out to buy your new or used car, James, do you ask the dealer (or multiple dealers) to come assess your lifestyle and make a recommendation on features, function and cost? OR... Do you meticulously detail out what you need before you go shopping and show up ready in order to avoid inevitable buyer's remorse and missed expectations when you later learn there was a better fit for you?
This is why we recommend teams produce detailed BAS design drawings (suited better for new work with an engineer of record) or detailed scope documents (private or existing upgrade work not requiring a full design and construction team). Of course, if you are budgeting or just trying to determine a rough cost for a potential project you can invest less effort here, but for projects to be executed this is a must. Also be careful not to let the vague quotes you receive when budgeting a project turn into contracts!
JD: Alright, so what does the design phase include?
MS: A detailed design includes the BAS architecture (down to the nitty gritty IT bits), detailed custom equipment schematics, floor plans indicating controller locations and cabling layouts and detail drawings for all 3rd party integration and specialty devices. Too often, the BAS design is shown simply as a comment in the mechanical schedule or loosely defined stick diagram that requires the real architecture to be defined by the BAS contractor in the construction phase.
Pull all of the guesswork, that is commonly left to the submittal and construction phase, forward to design and specifications phase and own the BAS architecture. Not only does this save every project member time and money in construction, but it greatly de-risks the critical path schedule to complete a project.
I get a lot of questions about selecting products in the design and specifications. I think a lot of folks get hung up on thinking about who's got the best product, but you canât really answer that question for all buildings at once because they are so different. A beauty of this new process is that the best product is the one that meets all of your requirements at the best price. The design process is more about the architecture and infrastructure than it is the products. And let me assure you, there are products in the market today that meet a wide variety of open & interoperable requirements. I referenced previously some great experience weâve had with Niagara and Distech products, and more options are gaining traction at a rapid pace.
But James, what really matters is the model. Leverage the power of IT and Ethernet based controls coupled with virtualized software servers for the heavy lifting. Doing this well sets you up to adopt any new software or IP based hardware that takes centerstage as the technology continues to evolve...and it will. So focus on the concepts of IT, virtualization, commoditizing and simplifying the hardware layer to set yourself up for the future.
JD: This is a place where I feel like people could use some more detail. What does a proper BAS design look like?
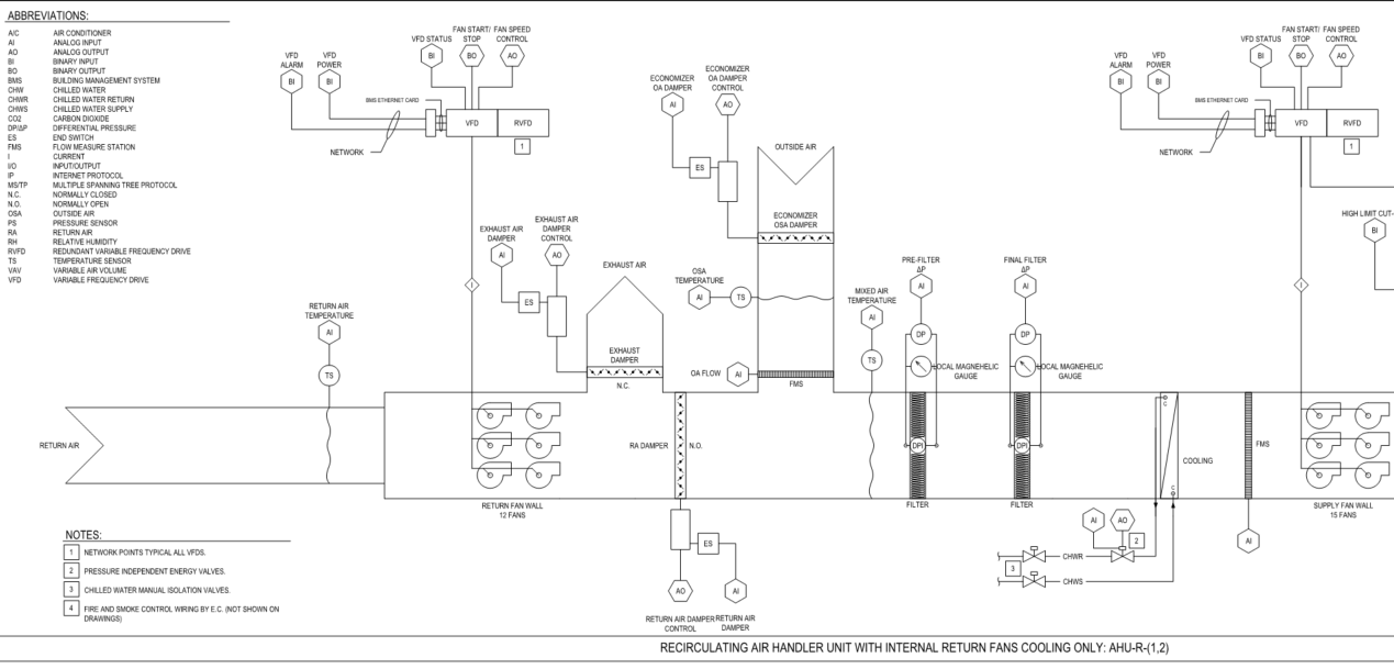
MS: Agreed, letâs dive in. The design covers the entirety of the BAS. Not just the portion the BAS contractor installs, but the whole thing all the way up to the data center where the graphics server lives. It includes elements of networking and interaction between the BAS and other trades as well to mitigate scope gaps and make clear how the system as a whole works. Here is an example of what just the single line can look like.

And below is another. Note this next one specifies down to the specific Aerco gateway needed to integrate to the boilers - a level of detail seldom shown on BAS designs when they are created. Also, the VFDs have communication and hardwired signals eliminating the inevitable RFI on that topic.

Another example includes equipment-specific control schematics for HVAC requiring dedicated custom control. It is critical to accurately and precisely layout the sensor control device arrangement that will deliver the Sequence of Operations.

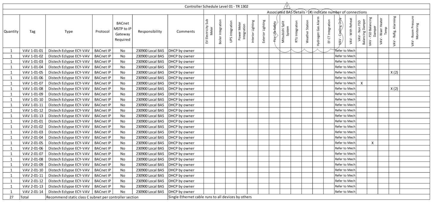
Consider including controller schedules offering networking details and references to any details or third party integrations and identifies certain useful equipment types for the BAS contractor such as cooling only versus reheat VAVs.

This last one may be tough to read but includes points lists and read-write expectations for third party integrations.

The magic behind these designs is that we have commissioning experts and BAS programmers working with professional engineers to put them together. This approach closes the knowledge gap and delivers a very comprehensive BAS design, greatly minimizing RFIs and change orders from the project team. In addition to the design drawings, we also deliver the specification and the sequence of operations in tight collaboration with the engineer-of-record for their approval and inclusion in the drawings packages.
So look at what just happened: our commissioning team and 3rd-party BAS experts are already familiar with the BAS design from Day 1 and so much risk has been averted as the owner's representative and BAS expert has now ensured the BAS design already matches the owners standards to the letter. Weâre not sure if this is great BAS design or just really early commissioning!š
JD: Wait a second, the building network is included on the BAS design drawings? Does that mean IT resources are required for the BAS to work? If so, doesnât that cause huge headaches for the construction team?
MS: 100% yes⌠theyâre required. As I have stated before, we need to break down those walls between IT and BAS!
We pull IT into the conversation Day 1. They are involved in the design and the early construction process for submittal review and coordination with trades providing devices that will need to touch the BAS network. Weâve all been on a project where the BAS provider requests IP addresses, network drops, or really any owner IT-provided information that is critical to finishing the project and then...3 months later it is received and everyone on the project team is frustrated with IT? This happens often! It is not because IT wants to hold up the project either. It is because asking IT to design a network connection and provide the physical media to make that connection and turn it around in 2 weeks is usually unreasonable given the level of process and security review required. With some planning, it can be done. Weâre delivering 10 healthcare facilities now where the IT network is integrated to the construction schedule and on the nearly completed sites it has come online right on schedule through strong coordination efforts between IT and controls.²
JD: Super interesting. Letâs keep moving into implementation. Should we assume it will go perfectly since weâve done the standards, specs, and design correctly?
MS: This is where the change management rubber really hits the road, James. A quick message to everyone ready to transition to the architecture of the future. Everyone on the project will need to experience this several times before theyâre up to speed on how to do this well. I say several times because we know providers and team members change project to project. Typically after several projects not only do the clients and multiple preferred providers get it, but the internal project managers develop familiarity that allows them to better enforce it on new projects.
JD: And I imagine that keeping your BAS experts involved, potentially as commissioning agents, helps too?
MS: We find that delivering guidance and oversight in the form of commissioning works well if you have a commissioning authority who is deeply knowledgeable of the BAS. I mean beyond sequence and program writing; I mean someone who can look at a BAS shop drawings and say this is approved or does not meet specifications.
But thatâs not the only role the BAS advisor can play. They can also ensure the construction team selects subcontractors suited to the challenge of implementing a new BAS model. Tag in your BAS expert and your internal team to lead the general contractor through the process of selecting a qualified and well-scoped partner to install the BAS. We typically do selection like this:
- Generate the BAS design and specifications for a given project
- [New Construction] Provide the General Contractor with direction to procure the BAS contractor directly rather than through the mechanical contractor. Having the mechanical contractor select the BAS contractor doesnât make a whole lot of sense as you surrender most control over the provider and usually the products and architecture as well.
- [Existing Building Upgrades] Put together a solid bid package and RFP document. This includes bidder pricing forms and detailed line item scope with places for contractors to indicate the quantity of devices they are providing. Doing this will allow you to get a real apples to apples bid comparison so you can proceed to the next step.
- Bid Clarifications and Revisions. This is an especially critical step because it is the easiest to skip to save time. We have yet to see the first round of bids meet all requirements - the contractors simply are not accustomed to being held to such detailed standards. Gaps and errors can be identified and then clarifications sent to all bidders to clear up the misunderstandings and missing/overkill scope items and request a revised bid. At least once. maybe twice.
- Interviews. From step four, you can shortlist and begin interviewing teams. You can structure the interview and set expectations with each party to bring staffing plans and the personnel who will actually work on the project with you. Meet these people and see what they have to say. This in person interview is key to developing some rapport with these future partners and feeling comfortable that they have thought through the project and aligned their approach with your goals.
- Selection. Everyone tends to have a slightly different approach here with the common denominator of a scorecard. Take subjectiveness out of the equation and build a scorecard with parameters that numerically score the quality of bids and the interviews.
- Select the winner and stand firm when the unsuccessful vendors come back and offer the project at half the price. Remember you will pay for it in maintenance cost later and for the life of the building.
JD: Brilliant. Since weâve mentioned commissioning several times already, letâs skip that for today. Whatâs important when the new system is up and running?
MS: Finally, the operations and maintenance phase where your stakeholders are now using the systems. Youâve likely racked up some lessons learned. Instead of putting them in a binder on a shelf, work your lessons learned right back into that newly developed specification and to support and train your BAS users on how the system works. It is wise to reevaluate the specification and BAS design practices on a regular basis. Technology changes, new products come to market, existing product changes versions and features etc. etc. So updating your specifications regularly will keep you up to speed. Excuse the cliche, but consider it a living document.
JD: Awesome, Matt. Well thanks again for enlightening us and sharing your experiences with the community!
Do you have feedback for Matt? Letâs hear your comments:
P.S. Here are those links to the sample spec again:
- Click here to download the word document version of the sample specification from Alturaâs website (in the Smart Building Technology section).
- Click here to see an online version, where you can comment and ask questions.
Footnotes:
š We of course couple that with our connected commissioning approach.  This combination has been so successful that Kaiser Permanente recently announced to all of their commissioning providers that as of 2021 they will only be accepting commissioning work that includes deep engagement in the BAS design of each project as well as data analytics driven functional testing and issue detection.
² What does this mean? It means now we are holding weekly and sometimes bi-weekly commissioning meetings focused on rapid issue resolution. These meetings include a review of the current Cx issues log, conversation with the TAB, controls, mechanical and electrical contractor where we troubleshoot the issues rather than simply punching them. This saves weeks of time! Real example. Yesterday, on our call the balancer presented some VAV boxes that were short on airflow and recommended the owner and engineer look into it and consider further adjustment to the system static pressure to overcome the issue. Because the BAS and analytics were up and running in the TAB phase of the project we didnât stop there. We brought up the BAS and analytics trends live in the meeting and demonstrated the VAV performance to the TAB contractor, engineer of record and owner ultimately eliminating several false assumptions about damper slippage and getting straight to a go forward plan to run a system pressure test and prepare to replace the boxes with upsized boxes according to the test results. These meetings have become work sessions rather than complaint and finger pointing sessions. To quote my mentor, the data donât lie! Not only does it not lie but it clears up confusion and adds efficiency to the construction process.
Appendix
Standards:
Graphics. Can I get on the pedestal for a moment? Graphics continue to challenge the BAS world as there are seemingly no standards whatsoever for building BAS graphics and there is typically little governance of graphics on most BAS projects. This unfortunately translates into BAS providers competing to provide the best BAS graphics. This can lead to the selection of a BAS largely on pretty pictures instead of a focus on functionality. There is also a decent selection of BAS graphics overlay software on the market which, if you are not careful, can add an entire additional layer of upfront cost and management to your BAS needlessly. Well, unless you NEED those pretty pictures. (okay stepping down now).
It is important to understand that graphics are the window into the operations of your buildings, not a website that public users care about. So focusing on standardized graphics can do a number of things to minimize the cost of BAS projects while leveling up the user experience.
The architecture we are discussing uses Niagara because it has web based graphics that can be customized, easily scaled and repeated if using the native tools within the software. Other softwares we have tried in the model end up being too brittle or not scalable and customizable in the same way. Niagara builds their graphics with a developer mentality so you are essentially building web pages to your liking. Now they may not have the fanciest images or photo-realistic air handlers available in their image library, but everything you need to do just about any BAS job is in the kit. If you run into something truly custom you can import custom images and build them into graphics too.
Given Niagara is a developer friendly software, you must also be on the lookout for custom 3rd party applications that might limit the use of your BAS to a single provider. We have seen plenty of providers develop custom built graphics tools that work in Niagara but require the providerâs support of the custom software. This can be a major headache causing compatibility issues and dependency on a single party for what is marketed as an open system and I recommend you donât permit it on your projects.
What is permitted? Well, anything that results in a library of graphics that serve the owners needs and can be handed to the BAS contractor for each new project. In our process, we pair a graphic designer with the engineers to determine strategic placement of key data points, guidance and regular practices on page sizing and layout, standard equipment types with the ability to easily adapt to different equipment variants. The result is:
- Owners branding and aesthetic by a graphic design professional (sorry BAS programmers there arenât many of us good at the visual design piece)
- Consistent and intuitive navigational flow
- Consistent and intuitive data layouts tailored to the actual BAS operators needs.
The real bonus is now your BAS provider and ops teams can pour their efforts into the needs and operation of the building and spend less time in the graphics creation process.
Optimization programs, alarms, trending and user account requirements. Very much like graphics, these are frequently a point of contention from project to project and provider to provider. It feels like we have to resolve these matters anew on every project, even when we have a guidance document. The reason being a guide document still must be translated into action and programming by the provider. So the fix here is to define and build these standard programs in an open environment accessible to all providers and operators. Much like the graphics, these are shared with the BAS provider and they are requested to adapt them to the project at hand, saving them effort and delivering consistency from project to project. You can also align your optimization programs with your standard graphics templates so there is little to no guesswork on what critical adjustable setpoints need to be exposed to the operators.
Alarms. Maybe the bane of the typical BAS operatorâs existence! We have all walked into the BAS shop to see a long list of alarms on the screen. Most of them are nuisances. This can largely be the result of scratch-built alarms from project to project. Developing an alarm standard that cuts out the common nuisance alarms and focuses on critical âget out of your chair alarmsâ to accompany your specifications and BAS design is key to reaching the end of the project with a nuisance-free alarm console. These alarms can be created as templates in the BAS for specific applications and like everything else, you guessed it, shared with the providers for use and adaptation to the project at hand.
Trending. Ever get to the end of the project and you have, no trends, some trends, not the trends you want, not the trend data resolution you need? You probably also donât have a standard for trending. While some specialty systems may require project to project coordination of trending and other items, the vast majority of systems do not. AHUs, VAVs, EFs and other commonly used MEP systems are a known quantity and we can define exactly the points and resolution at which we want these systems to trended. Hand this over to the provider and better yet have all of your trend extensions for different point types pre configured in the BAS ready for use!
User Account Creation. This is a much tougher animal to wrestle with but it is still important to create a standard for user account creation. This includes descriptions of user responsibilities, permissions, roles and names within the BAS. This is commonly a mess and results in a multitude of different user accounts or worse yet very few general user accounts that get shared by multiple users. The worst case of all is when you have no user accounts and you share the administrative accounts that come default with your BAS.
This is solved by having a strict policy of using well-defined roles and better still by creating these roles as templates in the BAS. This takes all the guesswork out of creating these roles for the BAS provider and requires only that they be provided a list of preferred names, email addresses and preferred role templates. The hard part is actually defining these roles and all of the different facets that go along with them. However, you only need to navigate that path once to define the policy and build the templates. Then it can be repeated project to project.
Welcome to part three of our interview series with Matt Schwartz of Altura Associates on fixing the modern building automation system. In case you missed it, part one was on why the BAS industry is broken. Part two was about what we can do about it with system architecture design. If you havenât read those, start there!
To learn more about Nexus and subscribe, start here.
James Dice: Alright Matt, welcome back! Itâs time to put a pretty bow on our three-part series and fulfill our promise of providing a sample specification that anyone can tailor to their needs.
A couple months back, we dove deep into why the BAS industry is broken and what sort of architecture would fix it. Iâm most excited about this third installment because weâre bringing these ideas into the real world. Letâs talk about how any building owner can implement the BAS architecture of the future.
Imagine a real world scenario: pretend I manage a large portfolio of buildings, perhaps a K-12 school district or a healthcare system. Across the portfolio, we have a bunch of different existing building automation systemsâdifferent manufacturers, different service providers, different product vintages, various degrees of openness.
We have renovations and BAS upgrades going on all the time. Letâs also pretend that in 2021, weâre building a new building. So if weâre going to do this new architecture, the time is now!
Where should we start? How do we buy this product?
Matt Schwartz: Great to be back, James. Here is my message to anyone in charge of procuring BAS work, owner or otherwise: step 1 is to take all the proposals you have on your desk from the multiple BAS providers recommending you upgrade, replace, and/or piecemeal the system along and file them in the recycling bin.
JD: Bold and honest... I like it. đ
MS: Itâs funny but Iâm serious. The BAS architecture of the future is driven by owner requirements and business performance, not by a single vendorâs technology. If you allow product providers to scope and design your projects without specifications and standards that enhance your facilities management workflow, there is a near zero percent chance that you will get the best solution. Bottom line.
As you noted in your recent essay about stickiness, organizations have set their sites on measurable increased building performance. This manifests as efforts to improve comfort, health, energy use, and maintenance spend. This in turn puts the spotlight on the BAS systems, which are the first stop for improving all of these categories and generating the data to measure the improvements.
As an owner you can either go down the traditional road of letting the market and the providers tell you what to do, or you can pull all your sharpest stakeholders together and collaborate with technology-agnostic BAS experts (as many as you want to talk to) to inform your new specification and design standards. Do the latter!
JD: Fair enough. That sentiment reminds me of a recent Nexus podcast when Andrew Rodgers pointed out that the traditional road has gotten us to where weâre at today. Itâs not going to get us to where we want to go tomorrow.
MS: Exactly. And since weâre being open and honest here, let me give you an open and honest step two: throw out your mentality that your building automation system is a product that you just go buy in the marketplace. Stop that!
This is a hybrid software/hardware system that is currently confused about itâs identity. You need to first adjust your methodology of how to implement a BAS. The architecture of the future is designed to let you use a wide variety of hardware products and avoid becoming beholden to a single product wherever possible. So ditch that product mentality.
JD: Youâre in a spicy mood todayâŚ
MS: In all seriousness, your true starting step should really be to sit down with your key stakeholders and define the requirements of the BAS that work for your business, including its functionality and cost of ownership. For example, owners who have a staff of six highly skilled operators have different needs from those with a single operator who must wear many hats.
When your team recognizes that the best BAS out there is a system of software and hardware and not any one product, you can create specifications that detail out exactly what you need on your projects. Thatâs just one piece to the buying process but maybe the most important one.
JD: Okay. So it sounds like step three, after throwing everything in the recycling and shifting your mentality, is to identify your stakeholders that will inform a new BAS specification. And youâve pointed out a key fact about the marketplace: technology-agnostic BAS experts (like Altura) are out there and owners should seek them out at this early stage. Not every engineering consulting firm has these experts on staff, so itâs okay to go outside your normal team.
So who else should we be bringing in at this stage besides a BAS consultant?
MS: In no particular order, your key stakeholders are facilities managers, energy managers, IT departments (network and security), internal automation/BAS shop, and procurement groups (the folks putting projects out to bid). By the way, this team-based approach relieves the owner from needing a BAS expert leading the process - the leader on the ownerâs side should be the person in the best position to establish clear accountability around standards and acceptance criteria and then enforces those standards throughout the project lifecycle.
In our process, we facilitate multiple worksessions to gather these stakeholders and explore how to adapt the BAS architecture discussed in Part 2 to best meet the needs of the entire organization. This is a paramount step in the process, as BAS nowadays impacts every one of these stakeholders. It means getting groups together that may not normally talk to one another but certainty have impact on BAS outcomes.
JD: Totally. I can imagine pulling each of those folks together and not only putting the benefits of the new architecture in terms of tangible benefits to them, but also getting their input as to how to tailor the architecture to their unique needs.
MS: Right. Go talk to your energy department and develop recognition for the major savings associated with well optimized controls upgrades. Same goes for mechanical replacements that might be NOT considering a controls upgrade. Find the real opportunities to make your BAS projects realize a return (hint: they are more than just CapEx).
JD: Nice examples. I bet our readers can imagine several more. And once you get stakeholder input and have their buy-in, whatâs next?
MS: The most important thing now is to avoid jumping to solutions⌠the primary reason to go open & interoperable is to build a system to your needs. As a result, first you must define what you want and then commit new resources to holding the people and processes accountable to that standard every step of the way. Most conventional processes for delivering building renovations and new construction cannot deliver this vision, so you must be prepared for some disruption and change management.
JD: Wait, why not?
MS: For the most part the mainstream methodologies used to manage BAS upgrades are the same used in the MEP construction world. The fatal flaw in doing so is that the MEP world is used to delivering deeply technical and complete design and specification documents. As we discussed in part 1, BAS is less comprehensively understood, heavily influenced by technology providers and almost always leaves massive gaps for interpretation in the early phase of a project.
Therefore, we start by developing solid standards & specifications that deliver the system explicitly. Start fresh and be prepared to go into way more detail than before. Building automation has deep levels of technical nuance that can have oversize influence on the usability and serviceability of the final system. Your specification needs to be clear about what is permitted and what is not down to the deepest levels of communications protocols and point naming. This is where your agnostic technical experts come in. Find a partner who can translate the needs of your team into real specification language used by procurement.
JD: Standards and Specs. That sounds rivetingâŚ
Just kidding⌠I know all too well what happens when we gloss over these steps. Letâs start with standards. What kind of standards need to be set up and how does that work?
MS: Â Standards are the items you want to be consistent from project to project, such as:
- graphics data and aesthetics
- equipment and system types
- required points for those equipment types
- sequences of operation for those equipment types
- point names
- user account templates
- alarm profiles
- trending requirements
- semantic tagging models
These are items that need to be defined and you must ensure these are actively enforced with contractors on every project moving forward.  If you havenât done this, you are likely paying to have them recreated project to project and they likely hold little continuity across projects. They should be documented in a way that is useful for collaborating and quickly getting to defined outcomes on new work and helps avoid having to build  these items from scratch built project after project.
JD: Agreed. This step is so valuable. I think several of those bullet points warrant a deeper dive in and of themselves. However, letâs keep this moving and move to the next step. Weâll throw all of those details into an appendix at the end.
How about specifications. First, what do they do?
MS: Specifications define what youâre buying and the acceptance criteria. This is the place to identify exactly the means, methods, softwares and products that compose your BAS architecture. DO NOT, I REPEAT, DO NOT simply reboot an old specification by loading it with new language. Given the state of disruption we are in and the many new ways to deliver BAS, it is best to start from the top, cut out all the chaff and write a fresh BAS specification.
JD: Hold up. Youâre saying I need to give up my tried and true specification that my favorite design engineer has been copy-and-pasting for every new job since the days of Windows 98?
MS: If your current BAS specification still has alarm report printers, a telephone remote interface, operators dedicated work-station with a tower computer, mention of pneumatic controls, no mention of IP-based controllers, redundant or contradictory sections that seem to repeat, or if itâs over 50 pages long, then itâs time for a fresh start. Not to say there isnât gold you need to mine out of your old specification for inclusion into the new, just to say that the old spec is not a basis from which to start over.
Another reason youâve seen the copy and paste method, besides lack of BAS expertise, is because itâs difficult. Development of a new BAS specification is an iterative process that sometimes involves lengthy discussions of each content section. But the work is worth it. I want to stress here that it is unlikely you will have strong results by purchasing a specification you think does what you want, but never reading through and questioning the elements of it.
JD: What types of issues does a strong spec avoid?
MS: You will proactively eliminate the following issues:
- Conflict between stakeholders who cannot support or be supported by the chosen system, e.g. Facilities and IT being unable to support one another or energy groups unable to access data for M&V efforts.
- Overcomplication and wasted money, e.g.. having two sets of BAS IT (OT) networking gear in a building when IT could have supported the infrastructure at lower cost with higher security.
- Inability to pursue competitive bids for future maintenance and service contracts
- Mixed bags of BAS systems across the campus or portfolio that fail to interoperate with one another.
JD: Yeah those arenât fun. I think I already know the answer to this, but what if my local vendor has given specs to my procurement department for years?
MS: Unfortunately itâs the fox and the henhouse problem, James. You, as an owner or a facilities manager, need to master and own your BAS rather than leave it in the hands of others. This is the number one cause of new projects being handed over to facilities teams full of issues and missed expectations.
We work with facilities teams who inherit brand new buildings where numerous hours of their time is required to punch issues back to the procurement team (who is gone and off to the next project) and then ultimately fix everything themselves if everyone is paid out and uninterested in fixing the issues.
We see instances where a new specification is used by procurement with no collaboration and buy-in from facilities leading to the installation of products that cannot be supported by facilities or donât align with existing standards. Conversely, we have seen projects develop a healthy exchange with product representatives, where the sales team knows exactly requirements they must meet and sees opportunity for differentiation on more than just price.
JD: Fair enough. I think itâs a good time to share your sample specification with everyone. We have two links:
- Click here to download the word document version of the sample specification from Alturaâs website (in the Smart Building Technology section).
- Click here to see an online version, where you can comment and ask questions.
And since people can see that example, letâs not go into a ton of detail on what it entails today. Once I have the standards and specs, Iâm assuming I shouldnât just hand them to the engineer or my BAS contractor and ask them to build it?
MS: NO! That is another recipe for missed expectations. For both new and existing projects, I recommend going deeper on the scoping and design side of things. Spending time scoping and foreseeing the challenges and various complexities of a BAS project prior to contract award is a proven method for avoiding change orders.
I commonly see projects that are defined on a one page proposal after a short site walk or no walk at all. Oh, car analogy! When you set out to buy your new or used car, James, do you ask the dealer (or multiple dealers) to come assess your lifestyle and make a recommendation on features, function and cost? OR... Do you meticulously detail out what you need before you go shopping and show up ready in order to avoid inevitable buyer's remorse and missed expectations when you later learn there was a better fit for you?
This is why we recommend teams produce detailed BAS design drawings (suited better for new work with an engineer of record) or detailed scope documents (private or existing upgrade work not requiring a full design and construction team). Of course, if you are budgeting or just trying to determine a rough cost for a potential project you can invest less effort here, but for projects to be executed this is a must. Also be careful not to let the vague quotes you receive when budgeting a project turn into contracts!
JD: Alright, so what does the design phase include?
MS: A detailed design includes the BAS architecture (down to the nitty gritty IT bits), detailed custom equipment schematics, floor plans indicating controller locations and cabling layouts and detail drawings for all 3rd party integration and specialty devices. Too often, the BAS design is shown simply as a comment in the mechanical schedule or loosely defined stick diagram that requires the real architecture to be defined by the BAS contractor in the construction phase.
Pull all of the guesswork, that is commonly left to the submittal and construction phase, forward to design and specifications phase and own the BAS architecture. Not only does this save every project member time and money in construction, but it greatly de-risks the critical path schedule to complete a project.
I get a lot of questions about selecting products in the design and specifications. I think a lot of folks get hung up on thinking about who's got the best product, but you canât really answer that question for all buildings at once because they are so different. A beauty of this new process is that the best product is the one that meets all of your requirements at the best price. The design process is more about the architecture and infrastructure than it is the products. And let me assure you, there are products in the market today that meet a wide variety of open & interoperable requirements. I referenced previously some great experience weâve had with Niagara and Distech products, and more options are gaining traction at a rapid pace.
But James, what really matters is the model. Leverage the power of IT and Ethernet based controls coupled with virtualized software servers for the heavy lifting. Doing this well sets you up to adopt any new software or IP based hardware that takes centerstage as the technology continues to evolve...and it will. So focus on the concepts of IT, virtualization, commoditizing and simplifying the hardware layer to set yourself up for the future.
JD: This is a place where I feel like people could use some more detail. What does a proper BAS design look like?
MS: Agreed, letâs dive in. The design covers the entirety of the BAS. Not just the portion the BAS contractor installs, but the whole thing all the way up to the data center where the graphics server lives. It includes elements of networking and interaction between the BAS and other trades as well to mitigate scope gaps and make clear how the system as a whole works. Here is an example of what just the single line can look like.

And below is another. Note this next one specifies down to the specific Aerco gateway needed to integrate to the boilers - a level of detail seldom shown on BAS designs when they are created. Also, the VFDs have communication and hardwired signals eliminating the inevitable RFI on that topic.

Another example includes equipment-specific control schematics for HVAC requiring dedicated custom control. It is critical to accurately and precisely layout the sensor control device arrangement that will deliver the Sequence of Operations.

Consider including controller schedules offering networking details and references to any details or third party integrations and identifies certain useful equipment types for the BAS contractor such as cooling only versus reheat VAVs.

This last one may be tough to read but includes points lists and read-write expectations for third party integrations.

The magic behind these designs is that we have commissioning experts and BAS programmers working with professional engineers to put them together. This approach closes the knowledge gap and delivers a very comprehensive BAS design, greatly minimizing RFIs and change orders from the project team. In addition to the design drawings, we also deliver the specification and the sequence of operations in tight collaboration with the engineer-of-record for their approval and inclusion in the drawings packages.
So look at what just happened: our commissioning team and 3rd-party BAS experts are already familiar with the BAS design from Day 1 and so much risk has been averted as the owner's representative and BAS expert has now ensured the BAS design already matches the owners standards to the letter. Weâre not sure if this is great BAS design or just really early commissioning!š
JD: Wait a second, the building network is included on the BAS design drawings? Does that mean IT resources are required for the BAS to work? If so, doesnât that cause huge headaches for the construction team?
MS: 100% yes⌠theyâre required. As I have stated before, we need to break down those walls between IT and BAS!
We pull IT into the conversation Day 1. They are involved in the design and the early construction process for submittal review and coordination with trades providing devices that will need to touch the BAS network. Weâve all been on a project where the BAS provider requests IP addresses, network drops, or really any owner IT-provided information that is critical to finishing the project and then...3 months later it is received and everyone on the project team is frustrated with IT? This happens often! It is not because IT wants to hold up the project either. It is because asking IT to design a network connection and provide the physical media to make that connection and turn it around in 2 weeks is usually unreasonable given the level of process and security review required. With some planning, it can be done. Weâre delivering 10 healthcare facilities now where the IT network is integrated to the construction schedule and on the nearly completed sites it has come online right on schedule through strong coordination efforts between IT and controls.²
JD: Super interesting. Letâs keep moving into implementation. Should we assume it will go perfectly since weâve done the standards, specs, and design correctly?
MS: This is where the change management rubber really hits the road, James. A quick message to everyone ready to transition to the architecture of the future. Everyone on the project will need to experience this several times before theyâre up to speed on how to do this well. I say several times because we know providers and team members change project to project. Typically after several projects not only do the clients and multiple preferred providers get it, but the internal project managers develop familiarity that allows them to better enforce it on new projects.
JD: And I imagine that keeping your BAS experts involved, potentially as commissioning agents, helps too?
MS: We find that delivering guidance and oversight in the form of commissioning works well if you have a commissioning authority who is deeply knowledgeable of the BAS. I mean beyond sequence and program writing; I mean someone who can look at a BAS shop drawings and say this is approved or does not meet specifications.
But thatâs not the only role the BAS advisor can play. They can also ensure the construction team selects subcontractors suited to the challenge of implementing a new BAS model. Tag in your BAS expert and your internal team to lead the general contractor through the process of selecting a qualified and well-scoped partner to install the BAS. We typically do selection like this:
- Generate the BAS design and specifications for a given project
- [New Construction] Provide the General Contractor with direction to procure the BAS contractor directly rather than through the mechanical contractor. Having the mechanical contractor select the BAS contractor doesnât make a whole lot of sense as you surrender most control over the provider and usually the products and architecture as well.
- [Existing Building Upgrades] Put together a solid bid package and RFP document. This includes bidder pricing forms and detailed line item scope with places for contractors to indicate the quantity of devices they are providing. Doing this will allow you to get a real apples to apples bid comparison so you can proceed to the next step.
- Bid Clarifications and Revisions. This is an especially critical step because it is the easiest to skip to save time. We have yet to see the first round of bids meet all requirements - the contractors simply are not accustomed to being held to such detailed standards. Gaps and errors can be identified and then clarifications sent to all bidders to clear up the misunderstandings and missing/overkill scope items and request a revised bid. At least once. maybe twice.
- Interviews. From step four, you can shortlist and begin interviewing teams. You can structure the interview and set expectations with each party to bring staffing plans and the personnel who will actually work on the project with you. Meet these people and see what they have to say. This in person interview is key to developing some rapport with these future partners and feeling comfortable that they have thought through the project and aligned their approach with your goals.
- Selection. Everyone tends to have a slightly different approach here with the common denominator of a scorecard. Take subjectiveness out of the equation and build a scorecard with parameters that numerically score the quality of bids and the interviews.
- Select the winner and stand firm when the unsuccessful vendors come back and offer the project at half the price. Remember you will pay for it in maintenance cost later and for the life of the building.
JD: Brilliant. Since weâve mentioned commissioning several times already, letâs skip that for today. Whatâs important when the new system is up and running?
MS: Finally, the operations and maintenance phase where your stakeholders are now using the systems. Youâve likely racked up some lessons learned. Instead of putting them in a binder on a shelf, work your lessons learned right back into that newly developed specification and to support and train your BAS users on how the system works. It is wise to reevaluate the specification and BAS design practices on a regular basis. Technology changes, new products come to market, existing product changes versions and features etc. etc. So updating your specifications regularly will keep you up to speed. Excuse the cliche, but consider it a living document.
JD: Awesome, Matt. Well thanks again for enlightening us and sharing your experiences with the community!
Do you have feedback for Matt? Letâs hear your comments:
P.S. Here are those links to the sample spec again:
- Click here to download the word document version of the sample specification from Alturaâs website (in the Smart Building Technology section).
- Click here to see an online version, where you can comment and ask questions.
Footnotes:
š We of course couple that with our connected commissioning approach.  This combination has been so successful that Kaiser Permanente recently announced to all of their commissioning providers that as of 2021 they will only be accepting commissioning work that includes deep engagement in the BAS design of each project as well as data analytics driven functional testing and issue detection.
² What does this mean? It means now we are holding weekly and sometimes bi-weekly commissioning meetings focused on rapid issue resolution. These meetings include a review of the current Cx issues log, conversation with the TAB, controls, mechanical and electrical contractor where we troubleshoot the issues rather than simply punching them. This saves weeks of time! Real example. Yesterday, on our call the balancer presented some VAV boxes that were short on airflow and recommended the owner and engineer look into it and consider further adjustment to the system static pressure to overcome the issue. Because the BAS and analytics were up and running in the TAB phase of the project we didnât stop there. We brought up the BAS and analytics trends live in the meeting and demonstrated the VAV performance to the TAB contractor, engineer of record and owner ultimately eliminating several false assumptions about damper slippage and getting straight to a go forward plan to run a system pressure test and prepare to replace the boxes with upsized boxes according to the test results. These meetings have become work sessions rather than complaint and finger pointing sessions. To quote my mentor, the data donât lie! Not only does it not lie but it clears up confusion and adds efficiency to the construction process.
Appendix
Standards:
Graphics. Can I get on the pedestal for a moment? Graphics continue to challenge the BAS world as there are seemingly no standards whatsoever for building BAS graphics and there is typically little governance of graphics on most BAS projects. This unfortunately translates into BAS providers competing to provide the best BAS graphics. This can lead to the selection of a BAS largely on pretty pictures instead of a focus on functionality. There is also a decent selection of BAS graphics overlay software on the market which, if you are not careful, can add an entire additional layer of upfront cost and management to your BAS needlessly. Well, unless you NEED those pretty pictures. (okay stepping down now).
It is important to understand that graphics are the window into the operations of your buildings, not a website that public users care about. So focusing on standardized graphics can do a number of things to minimize the cost of BAS projects while leveling up the user experience.
The architecture we are discussing uses Niagara because it has web based graphics that can be customized, easily scaled and repeated if using the native tools within the software. Other softwares we have tried in the model end up being too brittle or not scalable and customizable in the same way. Niagara builds their graphics with a developer mentality so you are essentially building web pages to your liking. Now they may not have the fanciest images or photo-realistic air handlers available in their image library, but everything you need to do just about any BAS job is in the kit. If you run into something truly custom you can import custom images and build them into graphics too.
Given Niagara is a developer friendly software, you must also be on the lookout for custom 3rd party applications that might limit the use of your BAS to a single provider. We have seen plenty of providers develop custom built graphics tools that work in Niagara but require the providerâs support of the custom software. This can be a major headache causing compatibility issues and dependency on a single party for what is marketed as an open system and I recommend you donât permit it on your projects.
What is permitted? Well, anything that results in a library of graphics that serve the owners needs and can be handed to the BAS contractor for each new project. In our process, we pair a graphic designer with the engineers to determine strategic placement of key data points, guidance and regular practices on page sizing and layout, standard equipment types with the ability to easily adapt to different equipment variants. The result is:
- Owners branding and aesthetic by a graphic design professional (sorry BAS programmers there arenât many of us good at the visual design piece)
- Consistent and intuitive navigational flow
- Consistent and intuitive data layouts tailored to the actual BAS operators needs.
The real bonus is now your BAS provider and ops teams can pour their efforts into the needs and operation of the building and spend less time in the graphics creation process.
Optimization programs, alarms, trending and user account requirements. Very much like graphics, these are frequently a point of contention from project to project and provider to provider. It feels like we have to resolve these matters anew on every project, even when we have a guidance document. The reason being a guide document still must be translated into action and programming by the provider. So the fix here is to define and build these standard programs in an open environment accessible to all providers and operators. Much like the graphics, these are shared with the BAS provider and they are requested to adapt them to the project at hand, saving them effort and delivering consistency from project to project. You can also align your optimization programs with your standard graphics templates so there is little to no guesswork on what critical adjustable setpoints need to be exposed to the operators.
Alarms. Maybe the bane of the typical BAS operatorâs existence! We have all walked into the BAS shop to see a long list of alarms on the screen. Most of them are nuisances. This can largely be the result of scratch-built alarms from project to project. Developing an alarm standard that cuts out the common nuisance alarms and focuses on critical âget out of your chair alarmsâ to accompany your specifications and BAS design is key to reaching the end of the project with a nuisance-free alarm console. These alarms can be created as templates in the BAS for specific applications and like everything else, you guessed it, shared with the providers for use and adaptation to the project at hand.
Trending. Ever get to the end of the project and you have, no trends, some trends, not the trends you want, not the trend data resolution you need? You probably also donât have a standard for trending. While some specialty systems may require project to project coordination of trending and other items, the vast majority of systems do not. AHUs, VAVs, EFs and other commonly used MEP systems are a known quantity and we can define exactly the points and resolution at which we want these systems to trended. Hand this over to the provider and better yet have all of your trend extensions for different point types pre configured in the BAS ready for use!
User Account Creation. This is a much tougher animal to wrestle with but it is still important to create a standard for user account creation. This includes descriptions of user responsibilities, permissions, roles and names within the BAS. This is commonly a mess and results in a multitude of different user accounts or worse yet very few general user accounts that get shared by multiple users. The worst case of all is when you have no user accounts and you share the administrative accounts that come default with your BAS.
This is solved by having a strict policy of using well-defined roles and better still by creating these roles as templates in the BAS. This takes all the guesswork out of creating these roles for the BAS provider and requires only that they be provided a list of preferred names, email addresses and preferred role templates. The hard part is actually defining these roles and all of the different facets that go along with them. However, you only need to navigate that path once to define the policy and build the templates. Then it can be repeated project to project.



This is a great piece!
I agree.